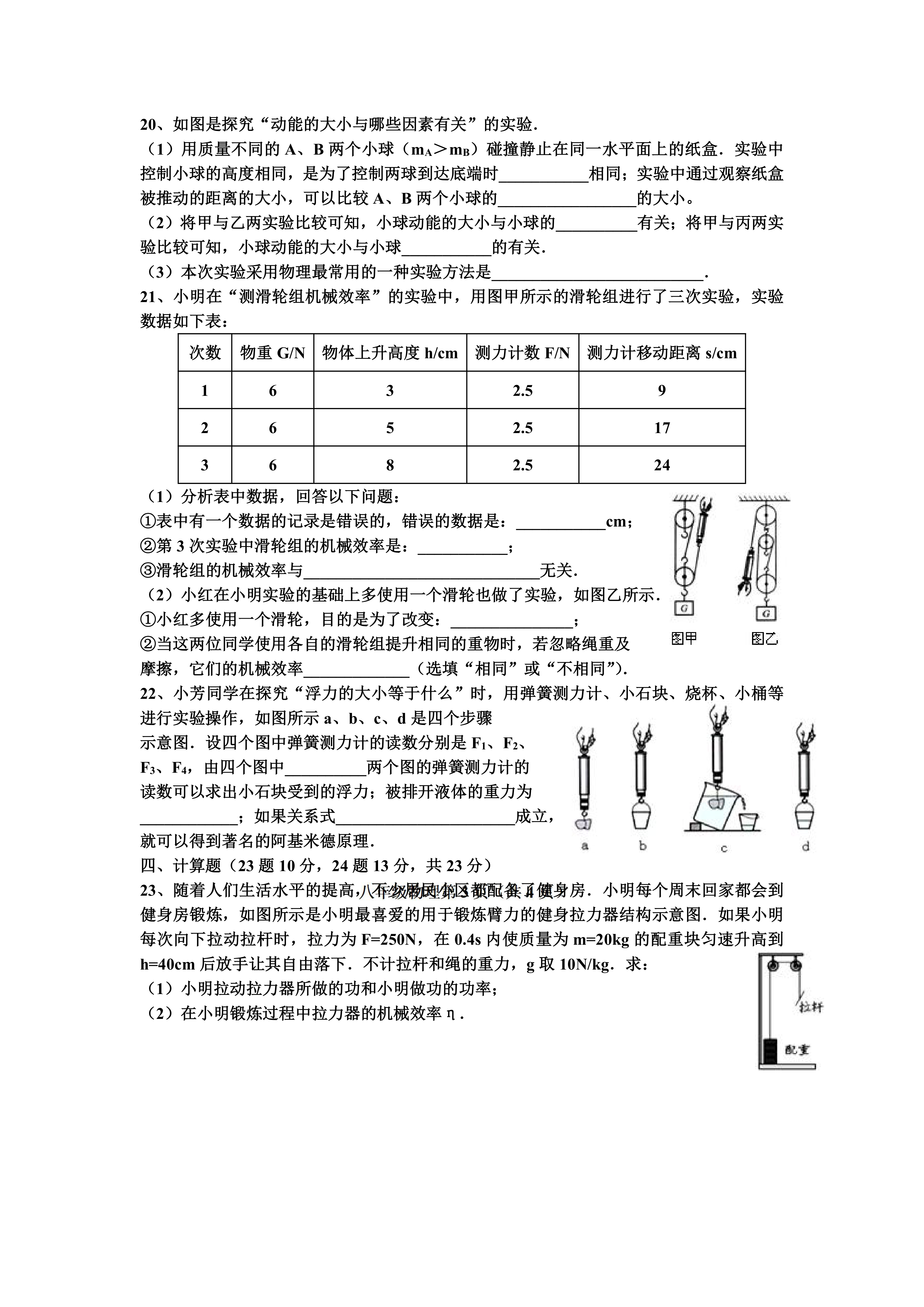
八年级物理下学期期末试卷 时间:2025-04-05 热度:°C 加入收藏 我要投稿 点赞() 使用智能AI助手解答的问题 wuli期末试卷八年级 上一篇:寒假综合练习(含解析)2024-2025学年北师大版物理八年级上册 下一篇:返回列表